ads/responsive2.txt

Spectacle Blind Flange Pdf

Spectacle blind to isolate sections of pipe a solid plate and a ring attached to each other mounted between flanges connection piece drilled and bolting placed through the hole.

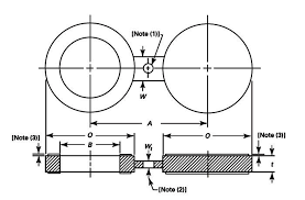
Spectacle blind flange pdf. Raised face spectacle blind standard dimensions as per asme b16 48 hole size shall be same as the flange bolt hole and located such that is will not interfere with bolting between flanges the thickness of handle or web tie bar shall be capable of supporting height of all orientations. The difference is that spectacle blinds may need some space to be rotated and this space is not always available due to the routing of the piping system. Connected to both flanges where you cannot simply drop a standard blind flange in because the flanges cannot be pulled apart far enough to drop in the blind flange.

In this case the open side of the spectacle is used with a gasket on each side when the customer wants the piping sections connected and operating normally.

Source : pinterest.com